Оценка заполнения профиля:
Базовый профиль - 20%
Специализация - 15%
Портфолио - 15%
О себе - 15%
Опыт работы - 15%
Образование - 15%
Телефон - 5%
Сметная документация Электроснабжение
Проектируем ВЛ, КЛ, ПС, и конечно локальное электроснабжение. Выпускаем разделы ПД, РД по действующим законодательствам и нормам. Выполняем светотехнический расчет для помещений и уличного освещения.
Изготавливаем щитовое оборудование: ячейки РУ (КРУ)6-10/0,4 кВ, КТП, БКТП (производство в Новосибирске).
Изготавливаем щитовое оборудование: ячейки РУ (КРУ)6-10/0,4 кВ, КТП, БКТП (производство в Новосибирске).
Наименование организации
Проектный институт
Период работы
06.2008 - 02.2011
Должность
Инженер проектировщик
Описание выполняемых работ
Наименование учебного заведения
Новосибирский государственный технический университет
Период обучения
09.2001 - 06.2006
Специальность
Электроэнергетика
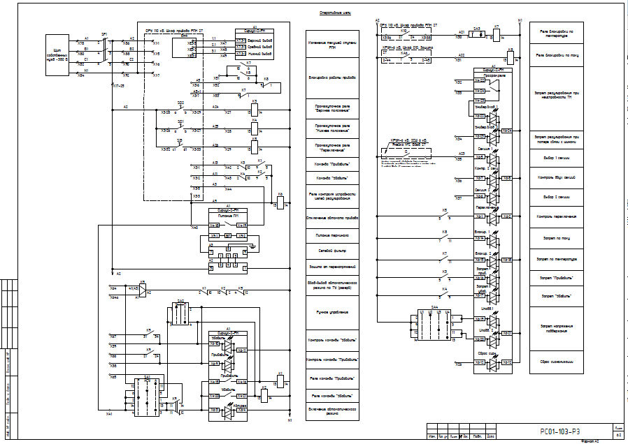
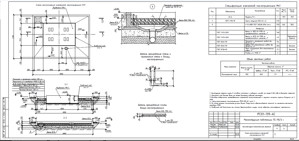
РД Замена трансформатора 110
Общественные и административные здания
Замена силового трансформатора 110/6 на золотодобыче. В связи с плохими показателями трансформатора заказчик принял решение замены с попутным увеличением мощности с 6,5 до 10000 МВА. Выпустили комплект РД: ВОК, ЭП, АС, РЗ, ПОС, ПОД. Проект на согласовании. Сметы еще не считали.
Внутрянка. Хостел
Общественные и административные здания
Разработка РД внутреннего электроснабжения хостела. Работа на удаленке. В разработке.
Грозоупорность на руднике
Общественные и административные здания
Попросили сделать типовые решения для исключения набегающей волны по КЛ на трансформаторы. Жалобы на межвитковые замыкания. вагонетки на постоянном токе, сеть 0,4 кВ на штольнях по всему руднику.
Так же выпустить чертежи по защите от грозовых ударов пром зданий (10 зданий).
На предложение на базе института выполнить полное обследование грозовых и коммутационных перенапряжений, обследование систем заземления - отказались.
В итоге выпустили небольшой проект по РД 34.21.122-87
Так же выпустить чертежи по защите от грозовых ударов пром зданий (10 зданий).
На предложение на базе института выполнить полное обследование грозовых и коммутационных перенапряжений, обследование систем заземления - отказались.
В итоге выпустили небольшой проект по РД 34.21.122-87
Пользователь не предоставил информацию.
Нет отзывов.
Пользователь не предоставил информацию.

